Cover plate VHF, for 1x surface-mounted socket, type ASD and 1x CEE connection unit

Item no. 6109858 | EAN 4012196169375

Product description
Product description
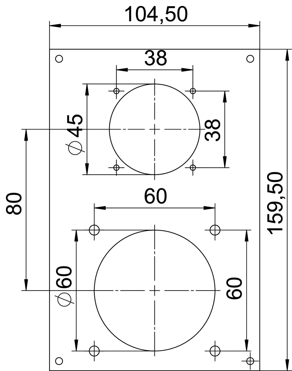
Cover plate with a Ø 45 mm opening for the installation of one extension socket (type ASD-...) with 38 mm fastening track and a Ø 60 mm opening for the installation of one CEE socket 16/32 A with 60 mm fastening track, including 8 screws for fastening the device.
  • Communautés Européennes, EC declaration of conformity according to EC directives
  • CO₂ footprint (PCF)
Technical data

Technical data

Blanking lid no
CO2 Footprint (GWP) Cradle-to-Gate 0,2057 kg CO2e / 1 Piece
Colour Rape yellow; RAL 1021
Dimension 166x105mm
Fastening type Screw-on
Halogen-free no
Height 3 mm
Installation technology Miscellaneous
Length 159,5 mm
Material Polyvinylchloride
Number of units 2
Opening shape Round
Protection rating IP20
Width 104,5 mm
All types

All types

Types Item no. Quantity SSU
VHF-P13 6109858
1 piece
Downloads

Download

REACH Declaration of conformity VHF-P13 / 6109858 , 0.12MB , pdf
RoHS Declaration of conformity VHF-P13 / 6109858 , 0.13MB , pdf

VHF-P13 / 6109858
Download