УЗИП для средней и высокочувствительной защиты 2-жильных систем в сетях 110 В

Артикул, номер 5098646 | EAN 4012195578413

2
Зажим
Описание продукта
Описание продукта
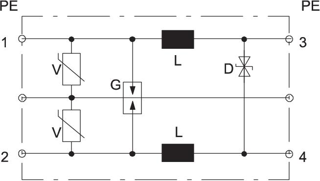
Устройство защиты от перенапряжений для контрольно-измерительных систем: 

• Средняя и высокочувствительная защита;

• Стандартное исполнение для двужильных систем;

• 2-ступенчатая схема защиты;

• С безвинтовыми соединительными зажимами для быстрого монтажа;

• Компактные размеры корпуса 17,5 мм;

• С индуктивной развязкой в продольной линии;

 

Применение: для монтажа на DIN-рейке 35 мм в любом стандартном корпусе распределителя.


  • Underwriters Laboratories Inc., США
  • 5 лет гарантии
  • Communautés Européennes, подтверждение соответствия директивам ЕС
  • Зональный переход 0 --> 3
  • Системы измерения, регулирования и контроля
  • Установка электротехнической экспертизы
  • Углеродный след (PCF)
  • Упаковка без пластмассы
Технические данные

Технические характеристики

Kategorie Тип 1+2+3 / D1+C2+C1
SPD в соответствии с IEC 61643-21 Класс I+II+III / D1+C2+C1
Zulassungen UL
Вид защиты IP20
Вносимое затухание (Insertion loss) 3 dB @ 180 kHz dB
Диапазон рабочих температур макс. 80 °C
Диапазон рабочих температур мин. -40 °C
Емкость (жила-жила) <10 nF
Емкость (жила-земля) <1 nF
Заземление с помощью: Зажим
Импульсный ток 1,5 kA
Количество контактов 2
Контакт связи нет
Максимальное длительное напряжение AC 86 V
Максимальное длительное напряжение DC 122 V
Модуль деления TE (17,5 мм) 1
Номинальный импульсный ток (8/20) 5 kA
Номинальный ток нагрузки AC 0,7 A
Номинальный ток нагрузки DC 1 A
Переход от зоны молниезащиты 0→3
Подключение экрана нет
Предельная частота 0,18 MHz
Проверенная на взрывозащищенность конструкция нет
Размер 110V AC
Серийная индуктивность на жилу 120 µH ± 20 %
Сечение гибкого соединительного кабеля макс. 2,5 mm²
Сечение гибкого соединительного кабеля мин. 0,14 mm²
Сечение жесткого соединительного кабеля макс. 2,5 mm²
Сечение жесткого соединительного кабеля мин. 0,14 mm²
Сечение многожильного соединительного кабеля макс. 2,5 mm²
Сечение многожильного соединительного кабеля мин. 0,14 mm²
Сопротивление изоляции > 100 MΩ
Стандарт проведения испытаний IEC 61643-21
Ток утечки (10/350) [общий] D1: 3 kA
Ток утечки (8/20) [общий] 10 kA
Углеродный след CO2 (GWP) от колыбели до ворот 0,1996 кг CO2e / 1 Шт.
Уровень защиты жила – жила <300 V
Уровень защиты жила – земля <600 V
Устойчивость к воздействию импульсного тока жила – жила C1: 1 kV / 0,5 kA (8/20µs)
Устойчивость к воздействию импульсного тока жила – земля C2: 10 kV / 5 kA (8/20µs)
Штекерная система Зажим
Все виды

Все виды

Типы Количество контактов Максимальное длительное напряжение AC Максимальное длительное напряжение DC Штекерная система Артикул, номер Количество Наименьшая единица продажи
FLD 5 2 5 V 8 V Зажим 5098600
1 Штук
FLD 12 2 9 V 13 V Зажим 5098603
1 Штук
FLD 24 2 19 V 28 V Зажим 5098611
1 Штук
FLD 48 2 37 V 53 V Зажим 5098630
1 Штук
FLD 110 2 86 V 122 V Зажим 5098646
1 Штук
Загрузки

Техническая спецификация FLD 110 / 5098646 , 0.29MB , pdf
Загрузить

Загрузить
Загрузить

Декларация соответствия ЕС FLD 110 / 5098646 , 0.11MB , pdf
Загрузить
REACH Декларация соответствия FLD 110 / 5098646 , 0.12MB , pdf
RoHS Декларация соответствия FLD 110 / 5098646 , 0.12MB , pdf

Разрешение на использование знаков UL certificate, FRD, FLD , 0.09MB , pdf

Загрузить
Загрузить

FLD 110 / 5098646
Загрузить