УЗИП V20, 4-полюсный 385 В с дистанционной сигнализацией

Артикул, номер 5095304 | EAN 4012196162895

385 V
IP20
Описание продукта
Описание продукта
Устройство для защиты от перенапряжений, тип 2

• для уравнивания потенциалов по стандарту VDE 0100-443 (IEC 60364-4-44);
• токоотводящая способность до 40 кА (8/20) на полюс благодаря высокоэффективным варисторам;
• модульный штекерный разрядник с динамическим устройством разъединения и индикацией рабочего состояния;
• с функцией защиты от вибрации и кодирования напряжения;
• из пластика без содержания галогенов (UL 94 V-0);
• модели FS оснащены дистанционной сигнализацией с перекидным контактом с нулевым потенциалом.

Применение: для уравнивания потенциалов в главных и вторичных распределительных устройствах.
  • Underwriters Laboratories Inc., США + CSA, Канада
  • Австрийский Союз Электротехники, Австрия
  • Научно-технический Союз электротехники, электроники и информационной техники, Германия
  • KEMA-KEUR, Нидерланды
  • 5 лет гарантии
  • Communautés Européennes, подтверждение соответствия директивам ЕС
  • Евразийское соответствие
  • Знак соответствия нормативным требованиям - Декларация соответствия для Австралии / Новой Зеландии
  • Устройство защиты согласно стандарту DIN EN 61643-11 или по ГОСТ IEC 61643-11-2013
  • Зональный переход 1 --> 2
  • Установка электротехнической экспертизы
  • Дистанционная сигнализация
  • Углеродный след (PCF)
  • Упаковка без пластмассы
  • Упаковка полностью из переработанного картона
Технические данные

Технические характеристики

SPD согласно EN 61643-11 Тип 2
SPD согласно IEC 61643-1 класс II
Zulassungen VDE, KEMA, UL, ÖVE;
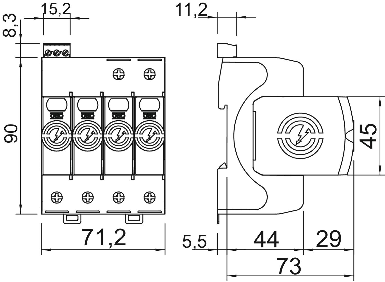
Вид защиты IP20
Вид монтажа DIN-рейка 35 мм
Влажность воздуха макс. 95 %
Влажность воздуха мин. 5 %
Время срабатывания <25 ns
Диапазон рабочих температур макс. 80 °C
Диапазон рабочих температур мин. -40 °C
Дистанционная сигнализация да
Импульсный ток (8/20) [всего] 160 kA
Интегрированный входной предохранитель нет
Исполнение 4
Класс проверки, тип 2 да
Количество полюсов 4
Контакты дистанционной сигнализации Переключающий контакт
Конфигурация сети TN да
Конфигурация сети TN-C-S да
Конфигурация сети TN-S да
Макс. импульсный ток утечки (8/20 мкс) [L–N] 40 kA
Максимальное длительное напряжение AC 385 V
Максимальное напряжение при длительной нагрузке (L-N) 385 V
Максимальный импульсный ток (8/20) 40 kA
Максимальный ток предохранителя 160 A
Максимальный ток предохранителя 160 A gL/gG
Материал корпуса деталей защиты от перенапряжений PA UL 94 V-0
Минимальный интервал 1,5 mm
Момент вращения 4 Nm
Мощность переключения AC 230 V; 0,5 A
Мощность переключения DC 230 V; 0,1 A / 75 V; 0,5 A
Напряжение TOV [L–N] – fail safe mode – 120 мин 670 V
Напряжение TOV [L–N] – withstand mode – 5 с 510 V
Номинальное напряжение AC (50 / 60 Гц) 350 V
Номинальный импульсный ток (8/20) 20 kA
Номинальный импульсный ток утечки (8/20 мкс) [L–N] 20 kA
Остаточное напряжение [L-N] @ 5 кА 1,4 kV
Остаточное напряжение [L–N] @ 1 кА 1,2 kV
Поперечное сечение гибкого провода (тонкожильный) макс. 2 AWG
Поперечное сечение гибкого провода (тонкожильный) макс. 35 mm²
Поперечное сечение гибкого провода (тонкожильный) мин. 1,5 mm²
Поперечное сечение гибкого провода (тонкожильный) мин. 16 AWG
Поперечное сечение жесткого провода (одно-/многопроволочный) мин. 1,5 mm²
Поперечное сечение жесткого провода (одно-/многопроволочный) мин. 16 AWG
Продувающий нет
Рабочая температура, макс. 80 °C
Рабочая температура, мин. -40 °C
Размер 385V
Сечение в месте соединения клемм FM, макс. 1,5 mm²
Сечение в месте соединения клемм FM, макс. 16 AWG
Сечение в месте соединения клемм FM, мин. 0,5 mm²
Сечение в месте соединения клемм FM, мин. 21 AWG
Сечение жесткого кабеля (одно-/многожильный) макс. 2 AWG
Сечение жесткого кабеля (одно-/многожильный) макс. 35 mm²
Сигнализация на приборе оптический
Стойкость к коротким замыканиям с максимальной защитой от перегрузки по току со стороны сети 50 kA eff
Топография сети прочее
Углеродный след CO2 (GWP) от колыбели до ворот 2,0565 кг CO2e / 1 Шт.
УЗИП согласно UL 1449 Тип 4
Уровень защиты (L-N) ≤1,7
Устойчивый к короткому замыканию да
Все виды

Все виды

Типы Исполнение Максимальное длительное напряжение AC Вид защиты Артикул, номер Количество Наименьшая единица продажи
V20-2+FS-385 2 385 V IP20 5095302
1 Штук
V20-3+FS-385 3 385 V IP20 5095303
1 Штук
V20-4+FS-385 4 385 V IP20 5095304
1 Штук
Загрузки

Техническая спецификация V20-4+FS-385 / 5095304 , 0.40MB , pdf
Загрузить

Загрузить

Декларация соответствия ЕС V20-4+FS-385 / 5095304 , 0.11MB , pdf
Загрузить
REACH Декларация соответствия V20-4+FS-385 / 5095304 , 0.12MB , pdf
RoHS Декларация соответствия V20-4+FS-385 / 5095304 , 0.13MB , pdf

Разрешение на использование знаков VDE symbol approval, V20 , 0.12MB , pdf
Разрешение на использование знаков ÖVE certificate V20 series , 0.43MB , PDF
Разрешение на использование знаков UL certificate, V20 and V50 , 0.26MB , pdf

V20-4+FS-385 / 5095304
Загрузить