Устройство защиты от перенапряжения для светодиодных систем 230 В

Артикул, номер 5092478 | EAN 4012196439034

5092478 / ÜSM-LED 230-65
1+N/PE
255 V
IP65
Описание продукта
Описание продукта
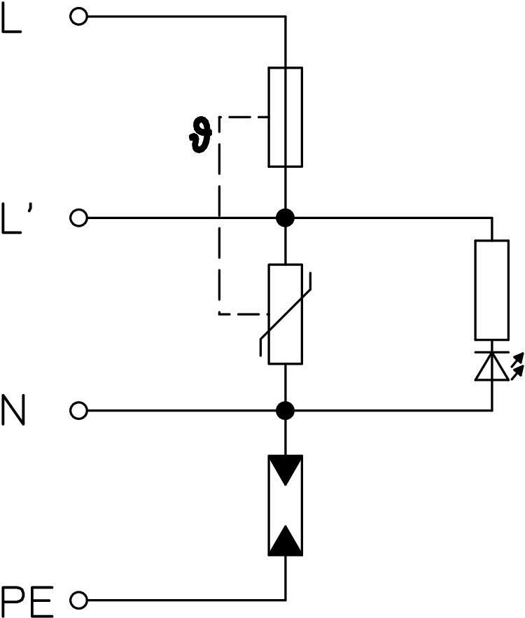
Модуль защиты от перенапряжений, тип 2+3 согласно ГОСТ IEC 61643-11-2013 для сетей 230/400В.

Предназначен для защиты светодиодных осветительных установок или светодиодного драйвера.

 

• С оптической индикацией рабочего состояния

• Компактный размер для монтажа в соединительной коробке мачты или в голове светодиодного фонаря

• IP 65 и соединительный кабель длиной 25 см

• 1+NPE защитная схема с максимальной токоотводящей способностью 20kA

• Ограничение перенапряжений ниже 1300В или 1000В @ 5kA

• С отключением и без отключения светодиодного фонаря в случае неполадок

 

Применение: Универсальное использование для всех систем освещения
Для защиты электронных приборов, например, светодиодных светильников, от повышенного напряжения
  • 5 лет гарантии
  • Communautés Européennes, подтверждение соответствия директивам ЕС
  • Евразийское соответствие
  • Зональный переход 1 --> 3
  • Устройство защиты согласно стандарту DIN EN 61643-11 или по ГОСТ IEC 61643-11-2013
  • Установка электротехнической экспертизы
  • Углеродный след (PCF)
Технические данные

Технические характеристики

SPD согласно EN 61643-11 Тип 2+3
SPD согласно IEC 61643-1 класс II+III
Вид защиты IP65
Вид монтажа Прочее
Время срабатывания <25 ns
Диапазон рабочих температур макс. 80 °C
Диапазон рабочих температур мин. -40 °C
Дистанционная сигнализация нет
Длина соединительного кабеля 0,25 m
Импульсный ток (8/20) [всего] 20 kA
Интегрированный входной предохранитель нет
Исполнение 1+NPE
Исполнение 1+N/PE
Класс проверки, тип 2 да
Класс проверки, тип 3 да
Макс. импульсный ток утечки (8/20 мкс) [L–N] 20 kA
Максимальное длительное напряжение AC 255 V
Максимальное напряжение при длительной нагрузке (L-N) 255 V
Максимальное напряжение при длительной нагрузке (N-PE) 255 V
Максимальный импульсный ток (8/20) 20 kA
Максимальный импульсный ток утечки (8/20 См) [N-PE] 20 kA
Максимальный ток предохранителя 16 A
Максимальный ток предохранителя 16
Номинальное напряжение AC (50 / 60 Гц) 230 V
Номинальный импульсный ток (8/20) 10 kA
Номинальный импульсный ток утечки (8/20 мкс) [L–N] 10 kA
Номинальный импульсный ток утечки (8/20 мкс) [N–PE] 10 kA
Номинальный ток нагрузки (входной/выходной зажим) 16 A
Переход от зоны молниезащиты 2→3
Рабочая температура, макс. 80 °C
Рабочая температура, мин. -40 °C
Размер 230V
Сигнализация на приборе оптический
Топография сети прочее
Углеродный след CO2 (GWP) от колыбели до ворот 0,0131 кг CO2e / 1 Шт.
Уровень защиты (L-N) ≤1,3
Устойчивый к короткому замыканию нет
Все виды

Все виды

Типы Исполнение Максимальное длительное напряжение AC Вид защиты Артикул, номер Количество Наименьшая единица продажи
ÜSM-LED 230-65 1+N/PE 255 V IP65 5092478
25 Штук
Загрузки

Техническая спецификация ÜSM-LED 230-65 / 5092478 , 0.28MB , pdf
Загрузить

Загрузить

Декларация соответствия ЕС ÜSM-LED 230-65 / 5092478 , 0.11MB , pdf
Загрузить
REACH Декларация соответствия ÜSM-LED 230-65 / 5092478 , 0.15MB , pdf
RoHS Декларация соответствия ÜSM-LED 230-65 / 5092478 , 0.15MB , pdf

ÜSM-LED 230-65 / 5092478
Загрузить